Канонические уравнения для консервативных цепей с двумя степенями свободы - page 4

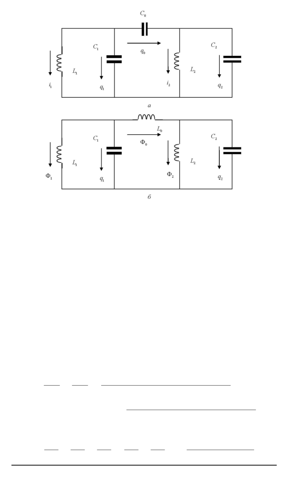
Схемы трехконтурной консервативной ЭЦ1 (
а
) и ЭЦ2 (
б
), образованных дву-
мя последовательно связанными через емкость
C
0
(
а
) и индуктивность
L
0
(
б
)
параллельными контурами
Аналогично уравнению (3) уравнение голономной связи для емкост-
ных токов имеет вид
C
1
0
˙
q
0
=
C
1
1
˙
q
1
C
1
2
˙
q
2
.
(4)
Из (1), (2), (4) получим
i
1
=
1 +
C
1
1
C
0
˙
q
1
+
C
1
2
C
0
˙
q
2
;
(5)
i
2
=
C
1
1
C
0
˙
q
1
1 +
C
1
2
C
0
˙
q
2
.
(6)
Таким образом, переменные состояния ЭЦ выражены через обобщен-
ные координаты (емкостные заряды) и обобщенные скорости (емкост-
ные токи)
Магнитная энергия ЭЦ1 с учетом (5) и (6) определяется как
W
м
=
L
1
i
2
1
2
+
L
2
i
2
2
2
=
L
1
1 +
C
1
1
C
0
˙
q
1
+
C
1
2
C
0
˙
q
2
2
2
+
+
L
2
1 +
C
1
2
C
0
˙
q
2
+
C
1
1
C
0
˙
q
1
2
2
.
(7)
Электрическая энергия ЭЦ1 с учетом (3) составляет
W
э
=
q
2
1
2
C
1
+
q
2
2
2
C
2
+
q
2
0
2
C
0
=
q
2
1
2
C
1
+
q
2
2
2
C
2
+
C
0
C
1
1
q
1
C
1
2
q
2
2
2
.
(8)
ISSN 0236-3933. Вестник МГТУ им. Н.Э. Баумана. Сер. “Приборостроение”. 2014. № 1 61
1,2,3 5,6,7,8,9,10,11,12
Powered by FlippingBook