Анализ гибридной системы фазовой и тактовой синхронизации - page 8

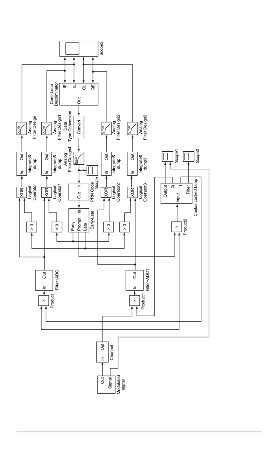
Рис. 5. Модель ГСС в Simulink14
ISSN 0236-3933. Вестник МГТУ им. Н.Э. Баумана. Сер. “Приборостроение”. 2013. № 1 47
1,2,3,4,5,6,7 9,10,11
Powered by FlippingBook