Цифровые системы синхронизации с перестраиваемыми параметрами - page 6

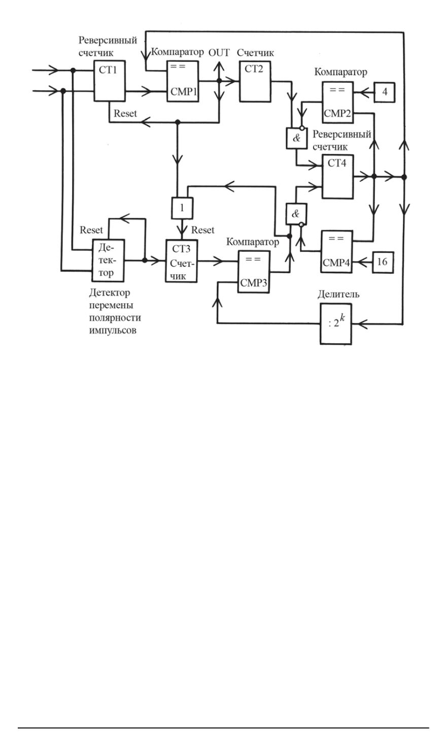
Рис. 7. Схема с перестраивающимися параметрами
значение размера накопителя снимается с выхода CT4. Если CT1 на-
копил число импульсов одной полярности большее, чем текущая раз-
мерность УУ (CT4) , то происходит регулирование, соответствующее
знакусуммы накопленных отсчетов (выход компаратора CMP1) и по-
следующий сброс показаний (Reset).
Сигнал OUT соответствует выходу счетчика исходной схемы. Счет-
чик CT2 суммирует регулирования и при переполнении выдает корот-
кий положительный импульс на вход CT4, который уменьшает его
содержание на единицу. Компаратор CMP2 на выходе CT4 не позво-
ляет сделать размерность УУ меньше 4, блокируя это действие через
логический элемент.
Далее рассмотрим часть схемы, выполняющей обратные функции.
Детектор на схеме — это устройство, отслеживающее изменение по-
лярности входных импульсов, т.е. если сначала поступающие импуль-
сы были одной полярности, а затем на вход пришел импульс проти-
воположной полярности, то детектор выдает на выход управляющий
импульс; показания сбрасываются и детектор начинает работать сно-
ва. Стоит отметить, что детектор может быть реализован с помощью
триггеров с поглощающим состоянием и логических элементов. Счет-
чик CT3 накапливает управляющие импульсы. Если содержимое CT3
ISSN 0236-3933. Вестник МГТУ им. Н.Э. Баумана. Сер. “Приборостроение”. 2008. № 1 53
1,2,3,4,5 7,8,9,10
Powered by FlippingBook