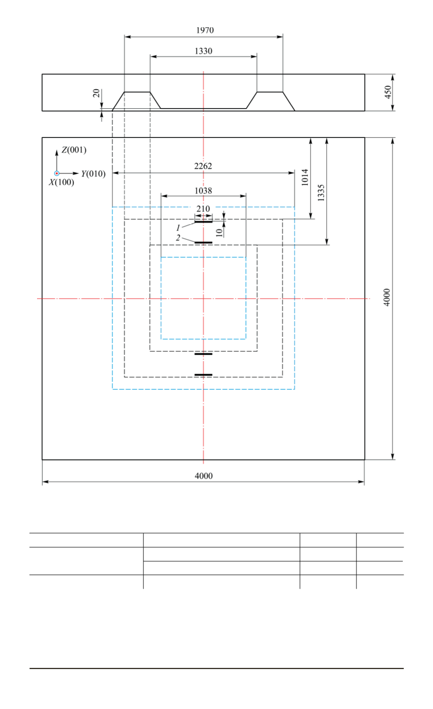
Рис. 4. Схема расположения тензорезисторов на пластине с жестким центром
Напряжения и деформации в характерных точках
Тип пластины
Расположение тензорезистора
σ
, МПа
ε
, %
С жестким центром
В области заделки
211
0,528
На границе жесткого центра
-207
0,535
Без жесткого центра
В области заделки
220
0,562
По результатам исследований можно сделать вывод, что при одной
и той же нагрузке напряжения в области заделки мембраны меньше у
мембраны с жестким центром, чем у плоской мембраны постоянной
толщины.
ISSN 0236-3933. Вестник МГТУ им. Н.Э. Баумана. Сер. “Приборостроение”. 2015. № 6 139




