Алгоритм диагностики отказов двигателей ориентацииМКС…
ISSN 0236-3933. Вестник МГТУ им. Н.Э. Баумана. Сер. Приборостроение. 2016. № 4
105
4
( 1) ( )
sign ( ) ( 1)
A n A n W n n
— исполнительные органы не активны;
( 1) ( ) ( ) ( );
n
n m n n
7
( 1)
( )
( 1) ( ) ( ) ( )
( 1) ( 1)
( );
2
A
n A n B n
n m n n m n n
W n
5
( 1) ( 1)
( 1);
n
n W n
(8)
6
( 1) ( 1)
( 1);
n
n W n
8
( 1) ( )
sign ( ) ( )
( 1) ( 1) ( 1)
2
A
n
n W m n n m n n
n
— моменты импульсного включения или выключения исполнительного органа.
Здесь
( )
n
— оценка угловой скорости как твердого тела;
( )
n
— оценка
упругой составляющей угловой скорости для доминирующего тона в месте
установки ДУС;
( )
A n
— оценка функции собственной частоты;
( )
n
— оценка
коэффициента влияния;
W
1
, …,
W
8
—
весовые коэффициенты.
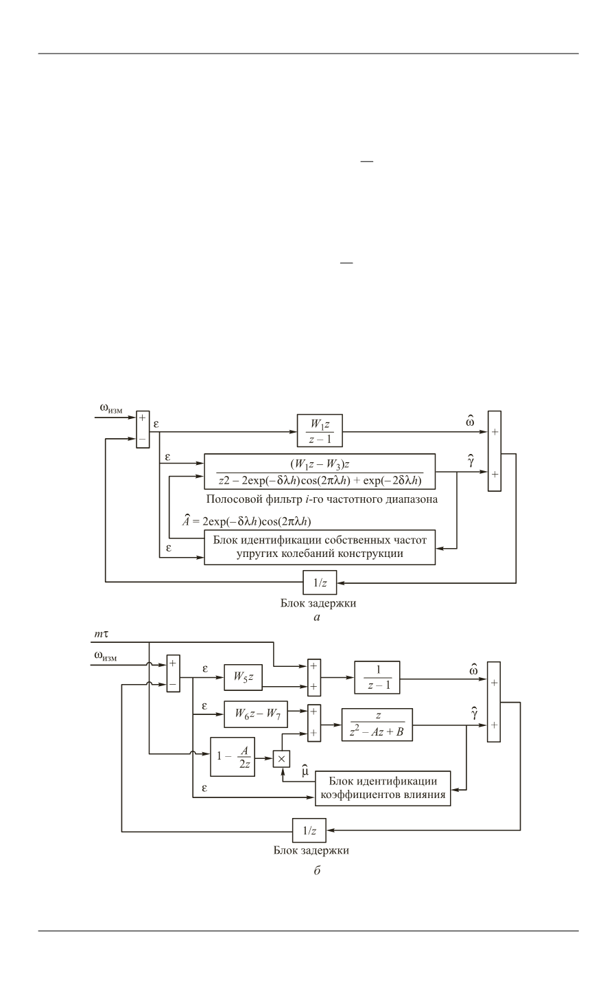
Рис. 3.
Блок-схема адаптивного наблюдателя с оценкой собственных частот
колебаний (
а
) и оценкой коэффициентов влияния (
б
)




